200萬網絡高清紅外防爆攝像機 (280款)

400萬網絡高清紅外防爆攝像機
防爆性能符合GB3836.1-2010 《爆炸性環境 第1部分: 設備 通用要求》、GB3836.2-2010《爆炸性環境 第2部分: 由:隔爆外殼“d”保護的設備》、GB12476.1-2013《可燃性粉塵環境用電氣設備第 1 部分: 通用要求》、GB12476.1-2013 《可燃性粉塵環境用電氣設備第 5 部分: 外殼保護型“tD”》的規定制成隔爆型結構。
產品型號:RFKB-Ex (廠家內部編號: RFIR280C/N-200/HK)
防爆級別:Ex dⅡC T6 Gb/ Ex tD A21 IP68 T80℃
產品材質:304不銹鋼(可選316L不銹鋼,用于強腐蝕性環境)
功能特點:
·30米/60米/80米等紅外可視距離,可見光不足時紅外燈自動開啟,可在夜晚和光線較差時使用
·應用特種防爆玻璃,光通率高
·攝像機視窗和紅外燈完全隔離,沒有紅外燈光暈
·納米隱形雨刷,不粘水,不粘油,排斥灰塵
·配置遮陽罩,能有效保證在陽光和大雨情況下正常工作
·采用高性能逐行掃描CMOS傳感器
·實時H.265/H.264/Mjpeg編碼
·支持ONVIF等傳輸協議
·支持HTTP、TCP/IP、DNS、DDNS、PPPOE等網絡協議
·支持移動偵測和隱私遮擋等功能
·可提供標準SDK二次開發包
·支持網頁IE訪問
·可按客戶要求,加裝光纖模塊/無線傳輸模塊/加熱裝置等
型號 | RFKB-Ex (廠家內部編號: RFIR280C/N-200/HK) |
防爆標志 | Ex dⅡC T6 Gb/ Ex Td A21 IP68 T80℃ |
圖像傳感器 | 200萬像素1/2.7英寸CMOS |
快門 | 1/3秒至1/100,000秒 |
紅外距離 | 30/60/80米 |
日夜轉換模式 | 雙濾片自動切換 (IR-CUT) |
鏡頭 | 4mm/6mm/8mm/12mm/16mm/25mm等3MP高清鏡頭可選 |
寬動態范圍 | 120dB |
背光補償 | 支持,可選區域 |
數字降噪 | 3D數字降噪 |
視頻壓縮標準 | H.265/H.264 / Mjpeg |
壓縮輸出碼率 | 32Kbps-8Mbps |
******圖像尺寸 | 1920*1080 |
幀率 | 25fps(1920*1080,,180*960,1280*720) |
圖像設置 | 走廊模式,亮度,對比度,飽和度等都可通過客戶端或IE瀏覽器調整 |
背光補償 | 支持,可選擇區域 |
接口協議 | ONVIF,PSIA,ISAPI等, 及??灯脚_私有協議 |
智能報警 | 移動偵測,遮擋報警,網線斷,IP地址沖突,存儲器滿,存儲器錯 |
網絡協議 | TCP/IP,ICMP,HTTP,HTTPS,FTP,DHCP, DNS,DDNS,RTP,RTSP,RTCP,NTP,UPnP, SMTP,IGMP,802.1X,QoS,IPv6,Bonjour |
供電電壓 | AC110V~220V/DC12V/POE可選 |
電氣連接 | 網線(RJ45),電源線 / 復合電纜 |
工作電流 | ≤2000mA |
環境溫度 | -25℃~+70℃ |
大氣壓力 | 86~106KPa |
相對濕度 | ≤95%RH(+25℃) |
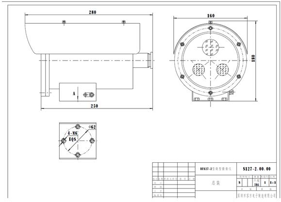
外形尺寸 | ¢160mm ×280 mm(長) |
出線孔規格 | G-3/4" * 1 或 G-1/2" * 1 |
重量 | ≤6Kg |
安裝方式 | 云臺、固定支架等 |
備注:同一型號產品可能會有多個版本和配置,詳細參數和需求請咨詢銷售人員。
以上配置為???00萬槍機模組,客戶也可選擇大華槍機模組,以及其他廠家網絡模組