200萬網絡高清紅外防爆攝像機

防爆性能符合GB3836.1-2010 《爆炸性環境 第1部分: 設備 通用要求》、GB3836.2-2010《爆炸性環境 第2部分: 由:隔爆外殼“d”保護的設備》、GB12476.1-2013《可燃性粉塵環境用電氣設備第 1 部分: 通用要求》、GB12476.1-2013 《可燃性粉塵環境用電氣設備第 5 部分: 外殼保護型“tD”》的規定制成隔爆型結構。
產品型號:RFKB-Ex (廠家內部編號: RFIR315/N-200)
防爆級別:Ex dⅡC T6 Gb/ Ex tD A21 IP68 T80℃
產品材質:優質碳素鋼(可選不銹鋼,用于腐蝕性環境)
功能特點:
·30米/60米/80米等紅外可視距離,可見光不足時紅外燈自動開啟,可在夜晚和光線較差時使用
·應用特種防爆玻璃,光通率高,完全消除紅外燈光暈
·納米隱形雨刷,不粘水,不粘油,排斥灰塵
·高硬度優質碳素鋼制作, 表面噴涂處理
·采用高性能逐行掃描CMOS傳感器;
·實時H.265/H.264/Mjpeg編碼;
·支持ONVIF等傳輸協議, 及主流平臺私有協議;
·支持HTTP、TCP/IP、DNS、DDNS、PPPOE等網絡協議;
·支持移動偵測和隱私遮擋等功能;
·可提供標準SDK二次開發包;
·支持網頁IE訪問;
·可按客戶要求,加裝光纖模塊/無線傳輸模塊/加熱裝置等
適用環境:具有ⅡA、ⅡB、ⅡC類可燃性氣體,引燃溫度組別為T1-T6組的1區、2區,可燃性氣體或蒸氣與空氣形成的爆炸性混合物的場所,也適用于引燃溫度組別為T1-T6組的21區、22區,含有可燃性粉塵混合物的場所。如:石油、化工、礦井、軍工、醫藥、油庫、輪船、鉆井平臺、加油站、花炮生產、糧食加工儲存等。
型號 | RFKB-Ex (廠家內部編號: RFIR315/N-200) |
防爆標志 | Ex dⅡC T6 Gb/ Ex tD A21 IP68 T80℃ |
電氣連接 | 網線(RJ45),電源線 / 復合電纜 |
圖像傳感器 | 200萬像素1/2.7英寸CMOS |
主處理器 | 海思方案,高性能DSP |
照 度 | 彩色0.005Lux,黑白0.001Lux(低于1Lux紅外燈開啟) |
紅外距離 | 30/60/80米 |
日夜轉換模式 | 雙濾片自動切換 (IR-CUT) |
鏡頭 | 4mm/6mm/8mm/12mm/16mm/25mm等3MP高清鏡頭可選 |
視頻壓縮標準 | H.265/ H.264 / Mjpeg |
主碼流分辨率 | 1920*1080, 1280*960 |
子碼流分辨率 | D1,VGA,640*360,CIF,QVGA |
視頻碼率 | 64Kbps-8Mbps |
視頻幀率 | 1-25 幀可調 |
網絡協議 | 標準HTTP、TCP/IP、ICMP、RTSP、RTP、UDP、SMTP、FTP、DHCP、DNS、DDNS、PPPOE 等 |
接入協議 | 支持ONVIF等傳輸協議, 及主流平臺私有協議 |
時間信息 | 支持時間信息疊加,上下左右位置可調 |
通道名稱 | 支持30個字符(15個漢字),上下左右位置可調 |
移動偵測 | 支持 |
隱私遮擋 | 4個區域可設置 |
信噪比 | >52dB |
白平衡 | 自動 |
增益控制 | 自動 |
電子快門 | 自動 |
寬動態 | 數字寬動態 |
圖像設置 | 背光補償,飽和度,亮度,對比度,尖銳度等都可通過客戶端或IE瀏覽器調整 |
供電電壓 | AC110V~220V/DC12V/POE可選 |
工作電流 | ≤2000mA |
環境溫度 | -25℃~+70℃ |
大氣壓力 | 86~106KPa |
相對濕度 | ≤95%RH(+25℃) |
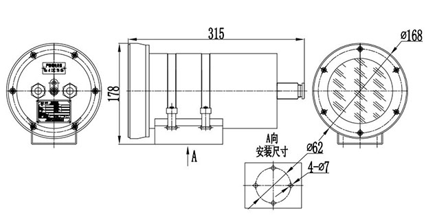
外形尺寸 | ¢175mm ×315 mm(長) |
出線孔規格 | G 1/2 " * 2個 |
重量 | ≤8Kg |
安裝方式 | 云臺、固定支架等 |
外觀尺寸圖:
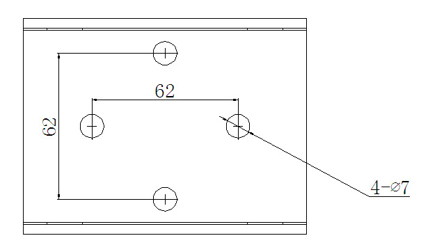
底座安裝孔位:
防爆撓性連接管