防爆紅外球機 (200萬32倍網絡高清,內置本安電路)

防爆紅外球機 (200萬32倍網絡高清,內置本安電路)
防爆性能符合GB3836.1-2010《爆炸性環境 第1部分: 設備 通用要求》、GB3836.2-2010《爆炸性環境 第2部分: 由隔爆外殼“d”保護的設備》、GB3836.4-2010《爆炸性環境 第4部分: 由本質安全型“i”保護的設備》、GB12476.2-2013《可燃性粉塵環境用電氣設備第 1 部分:通用要求》、GB12476.5-2013《可燃性粉塵環境用電氣設備 第 5 部分: 外殼保護型”tD” 》 的規定制成隔爆和本安復合型防爆結構。
產品型號:RFB80 (廠家編號: RFB80/I/N-200-32)
防爆級別:Ex d [ia Ga] ⅡC T6 Gb/Ex tD [iaD] A21 IP68 T80℃
防護等級: IP68
防爆合格證號: CNEx17.1219
殼體材質:優質不銹鋼304
功能特點:殼體采用優質304不銹鋼, 防腐防爆 (特殊防腐環境可選316不銹鋼)
外觀新穎, 美觀大方
60-100米紅外可視距離,可見光不足時紅外燈自動開啟,可在夜晚和光線較差時使用
內置本質安全型電路
外置雨刷, 可以用在雨天和灰塵等環境
合金傳動齒輪轉動平穩、噪聲小、耐磨損
256個預置位,4條巡航軌跡, 花式巡航
全方位無盲點監視,定位精度高
網絡傳輸, 支持ONVIF等協議, 可對接海康大華等多種NVR
適用環境:具有ⅡA、ⅡB、ⅡC類可燃性氣體,引燃溫度組別為T1-T6組的1區、2區,可燃性氣體或蒸氣與空氣形成的爆炸性混合物的場所,也適用于引燃溫度組別為T1-T6組的21區、22區,含有可燃性粉塵混合物的場所, 如:石油、化工、礦井、軍工、醫藥、油庫、輪船、鉆井平臺、加油站、天然氣站、煤氣站、花炮生產、糧食加工儲存等。預置位達256個,防雷擊、防信號浪涌、多條掃描模式,捕捉目標準確,適用于各種面積區域活動目標和固定目標的監控。
型號 | RFB80 (廠家編號: RFB80/I/N-200-32) |
防爆標志 | Ex d [ia Ga] ⅡC T6 Gb/Ex tD [iaD] A21 IP68 T80℃ |
水平轉動角度 | 360°連續轉動 |
垂直轉動角度 | ±90° |
轉動速度 | 水平10度/秒, 垂直10度/秒 |
電機特性 | 高扭矩精密步進電機 |
傳動結構 | 高強度鋁合金齒輪配裝精密同步皮帶 |
預置位數量 | 256個 |
預置位精度 | ± 0.5° |
圖像傳感器 | 200萬像素逐行掃描1/1.8”CMOS傳感器 |
最低照度 | 0.002 Lux/F1.5(彩色) ,0.0002 Lux/F1.5(黑白) |
白平衡 | 自動/手動/晴天/陰天/黃昏/白熾燈/鈉燈/日光燈/一次跟蹤/自動跟蹤/特殊光源/鎖定 |
寬動態 | 超級寬動態,自動寬動態,0-100 數字調整 |
數字降噪 | 3D降噪 |
焦距 | 6-192mm 32倍光學變焦 ,16倍數字變倍 |
視頻壓縮標準 | H.265 / H.264 / M-JPEG |
壓傳輸縮碼流 | 64Kbps-12Mbps |
主碼流 | 50Hz: 25fps(1920×1080,1280×720) 60Hz: 30fps(1920×1080,1280×720) |
子碼流 | 50Hz: 25fps(720×576,352×288); 60Hz: 30fps(720×480,352×240) |
字符疊加 | 支持通道名、日期時間信息疊加,疊加位置用戶可調,可反色 |
圖像設置 | 區域遮擋,抗閃爍,去霧,走廊模式,鏡像,翻轉,背光補償,強光抑制,曝光補償,增益,曝光補償,飽和度,亮度,對比度,尖銳度,增益,多碼流,碼率等可通過客戶端或IE瀏覽器調整,支持移動偵測,視頻遮擋,周界,絆線等 |
網絡協議 | 支持TCP/IP,HTTP,DHCP,DNS,DDNS,RTP,RTSP,PPPoE,SMTP,NTP,UPnP,FTP,HTTPS等 |
接入協議 | 支持ONVIF,GB/T28181等協議 |
通用功能 | 心跳,密碼保護,多用戶訪問控制等,支持******128G SD卡本地存儲 |
制造材質 | 優質304不銹鋼 (可用于腐蝕性環境) |
供電電壓 | AC220V |
工作電流 | ≤2000mA |
環境溫度 | -25℃~60℃(環境低于-30℃可選配溫控裝置) |
大氣壓力 | 86~106KPa |
相對濕度 | ≤95%RH(+25℃) |
電氣連接 | 復合電纜(包含電源接線和RJ45網絡) |
安裝方式 | 壁式安裝 (可選吊裝) |
出線孔規格 | G 1/2” * 1 |
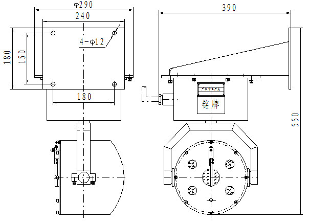
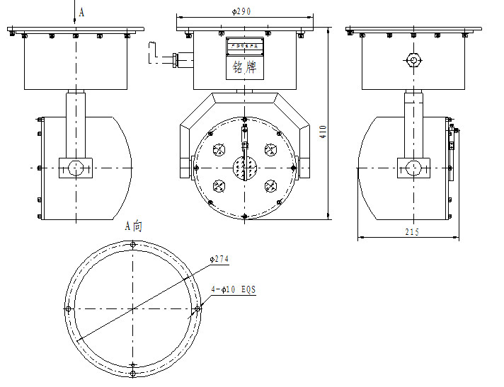
外形尺寸 | ¢290 X 410 (¢380 X 570 含壁裝支架) |
重量 | ≤26Kg |
另外,可根據客戶需要配置其他型號的變焦機芯
外形圖片:
外形尺寸:
未安裝支架尺寸圖
已安裝支架尺寸圖