耐高溫水冷防腐防爆護罩

產品名稱: 耐高溫水冷防腐防爆護罩
防爆性能符合GB3836.1-2010 《爆炸性環境 第1部分: 設備 通用要求》、GB3836.2-2010《爆炸性環境 第2部分: 由:隔爆外殼“d”保護的設備》、GB12476.1-2013《可燃性粉塵環境用電氣設備第 1 部分: 通用要求》、GB12476.1-2013 《可燃性粉塵環境用電氣設備第 5 部分: 外殼保護型“tD”》的規定制成隔爆型結構。
內部編號: RFWH380/SS
產品型號:RFKB-Ex
防爆級別:Ex dⅡC T6 Gb/ Ex tD A21 IP68 T80℃
產品材質:優質不銹鋼 (304/316)
功能特點:
?采用雙層不銹鋼制作, 可應用于腐蝕性環境
?防護罩外層具備水腔,從下端進水口輸入冷卻水,通過水腔從上端的出口排出,帶走高溫熱量, 可應用于高溫環境
?視窗具備納米隱形雨刷功能,不粘水,不粘油,排斥灰塵
?應用特種防爆玻璃,光通率高
?腔體尺寸較大, 可安裝多種槍機或一體機攝像機
?室內、室外安裝,全天候使用, 防護等級IP66
?從前端進風口輸入壓縮空氣,防止粉塵粘附,起到清潔視窗的作用(可選)
可按客戶要求,加裝網絡模塊/光端機模塊/無線傳輸模塊等
適用環境:
具有ⅡA、ⅡB、ⅡC類可燃性氣體,引燃溫度組別為T1-T6組的1區、2區,可燃性氣體或蒸氣與空氣形成的爆炸性混合物的場所,也適用于引燃 溫度組別為T1-T6組的20區、21區、22區,含有可燃性粉塵混合物的場所。如:石油、化工、礦井、軍工、醫藥、油庫、輪船、鉆井平臺、加油站、花炮 生產、糧食加工儲存等。
防爆標志 | Ex dⅡC T6 Gb/ Ex tD A21 IP68 T80℃ |
環境溫度 | ≤250℃ |
大氣壓力 | 86~106KPa |
相對濕度 | ≤95%RH(+25℃) |
冷卻水溫度 | ≤35℃ |
冷卻水壓力 | 0.25Mpa~0.6Mpa |
冷卻水流量 | 0.85立方/H |
外形尺寸 | ¢131mm ×380 mm(長) |
內徑尺寸 | ¢105mm ×275 mm(長) |
出線孔規格 | G 1/2 " * 2個 |
安裝方式 | 云臺、固定支架等 |
重量 | ≤9Kg |
外形尺寸:¢131mm ×380 mm(長)
內徑尺寸:¢105mm ×275 mm(長)
安裝方式:云臺、固定支架等
重量:≤9Kg
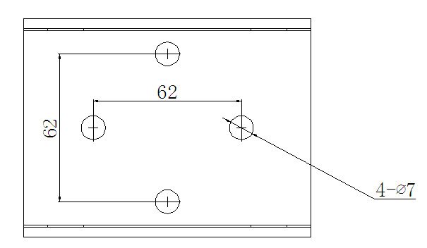
底座安裝孔位:
防爆撓性連接管